AN INCREDIBLE lost city has been found deep inside a dense jungle after being left untouched for 1,000 years.
The fascinating discovery led scientists to believe the ancient Mayan city once had giant 50ft pyramids and even a sports pitch covering the vast land.
5
5
5

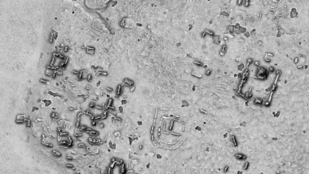
Dubbed Ocomtún – which translates as “stone column” in Yucatec Mayan -the city was coined a “monumental” find by Mexican authorities last year.
Boasting remains of several huge pyramid-like structures, three plazas with “imposing buildings” and plenty of stone columns and other cylindrical structures, the city was once home to thousands.
One pyramid was even thought to be as tall as 82ft and towered over the jungle it sat in.
Plenty of lofty altars were also discovered but perhaps most interesting was an ancient sports court that researchers believe was actually used for important religious ceremonies.
read more in ancient cities
The new found settlement dates back between 250AD and 1000AD.
Lead archaeologist Ivan Šprajc told BBC Travel: “These cities had been lost to time. Nobody knew exactly where they were.
“But this (Ocomtún), was actually the last major black hole on the archaeological map of the central Maya Lowlands. Nothing was there.
“There was not a single known site in an area stretching some 3,000-4,000sq km.”
It was unearthed in southern Mexico in the Campeche region of the Yucatan Peninsula, which splits the Gulf of Mexico and the Caribbean Sea.
An area known for its thick and almost impenetrable vegetation.
The clever team of researchers who found the ancient clearing had to battle through the jungle and trek through over 60km of dodgy land as no roads could be seen for miles.
Led by Ṡprajc, the city was finally revealed in 2023, by Mexico’s National Institute of Anthropology and History (INAH) where they labelled it “monumental”.
Mr Ṡprajc said: “The biggest surprise turned out to be the site located on a ‘peninsula’ of high ground, surrounded by extensive wetlands.
“Its monumental nucleus covers more than 50 hectares and has various large buildings, including several pyramidal structures over 15 metres high.
“The site served as an important centre at the regional level, probably during the Classic period (250-1000 AD).”
The research team said some structures are thought to be “markets or spaces destined for community rituals” such as the sports court.
But that ultimately “only future research will shed light on the functions of these groups, which represent a regional peculiarity”.
Mayans are also given the title of the inventors of the first ever ball game – another reason for the large court in the city.
The site was likely to have met a quick decline around 800 to 1000 AD based on analysis of materials such as pottery and ceramics extracted from buildings, Mr Ṡprajc said.
Many Mayan societies collapsed in that region by the 10th century and were hidden for centuries and even longer.
What happened to the Mayans?

THE Mayans dominated many parts of Central America for hundreds of years.
They are widely regarded as the inventors of rubber, the first ever ball game, certain medicines, the calendar and even chocolate.
But what made the Mayans stand out is their love for astrology and pyramid like structures made of stone.
At its peak, Maya civilisation’s were made up of more than 40 cities, each with a population between 5,000 and 50,000.
Among the most well known cities are Tikal, Uaxactun, Copan, Bonampak, Dos Pilas, Calakmul, Palenhue and Rio Bec.
But mysteriously in the 8th and 9th century AD, the Mayan civilisation started to collapse and no one truly knows why.
Some scientists say an intense century-long drought ravaged the civilisations and caused the steep decline.
Mayans were famed for their agricultural ability and a terror drought would’ve posed major issues.
Dozens of theories have also attempted to explain the Maya collapse with some citing epidemic diseases or foreign invasion as potential downfalls.
Despite this some cities did survive such as Chichén Itzá, Uxmal, and Mayapán in the Yucatán Peninsula for years after the Mayan collapse.
After all the civilisations seemingly disappeared, researchers have spent decades trying to locate them and show the world the beauty they once held.
Today, an estimated six to eight million Maya people live in Guatemala, Belize, western Honduras and El Salvador and southern Mexico.
With them still speaking 28 Maya languages.
5
5
